Prev-Next

Erste Fernsteuerung 1958
Röhrensender aus Zeitschrift «hobby» von 1955 mit einer Doppeltriode 6J6. Absolut verbotene Senderleistung ohne Frequenzstabilisation auf 27,12 MHz. Alt-Batterien vom Bund mit 140 und 7,5 Volt in Holzgehäuse.
Zwei-Röhrenempfänger mit magischem Strich zur Abstimmung von der Laden Schleiss in Basel
Telefon-Wählscheibe als Pulsgeber und Linienwähler-Schrittschaltwerk zur Kommandowahl zusammen mit Siemens-Relais Schaltung.
Zweite Fernsteuerung 1962
Sender in Metallgehäuse mit 6 Volt Bleiakku, Quarzgenerator auf 13,56 MHz, Endstufe mit Frequenzverdoppelung auf 27,12 MHz.
Empfängerseitig beinahe gleiche Bestückung wie unter 1.
Dritte Fernsteuerung 1980
Zweikanal Fernsteuersender von GRAUPNER Varioton, selber auf 4 Kanäle ausgebaut.
Empfänger-Modul und Relais-Modul Kanal 1/2 und Kanal 3/4.
Relais-Schaltung für mehrfach Steuerung
öffnen!
>Heutige Fernsteuerung 2022
6-Kanal Fernsteuerung 2.4 GHz. Sender HT-6 und Empgänger HR-6 von RE3LY.
Schaltmodule von CONRAD. Blinkmodul für Alarmleuchten im Eigenbau.
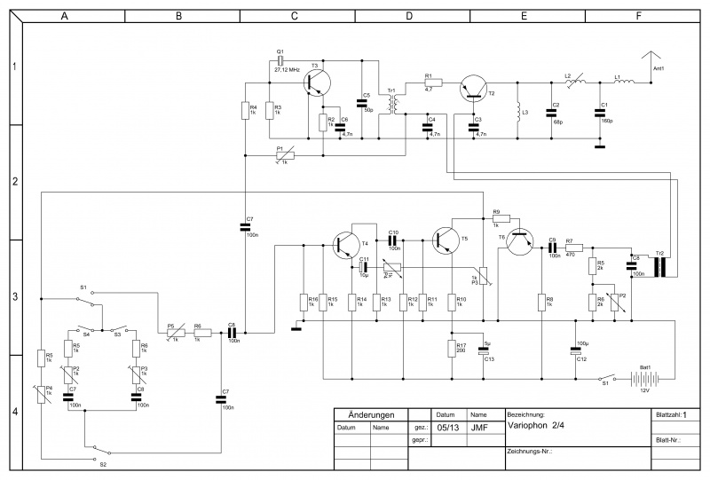
Schaltschema in kiCAD
öffnen!


